24H咨询热线
0086-755-23210829
English
首页
关于我们
公司简介
相关证书
品质保证
合作伙伴
产品展示
光敏电阻
光敏传感器
红外传感器
菲涅尔透镜
热敏电阻
微波模块
辅材
生产实力
公司设备
新闻资讯
公司新闻
行业新闻
常见问题
下载中心
联系合作
联系方式
在线留言
中文
English
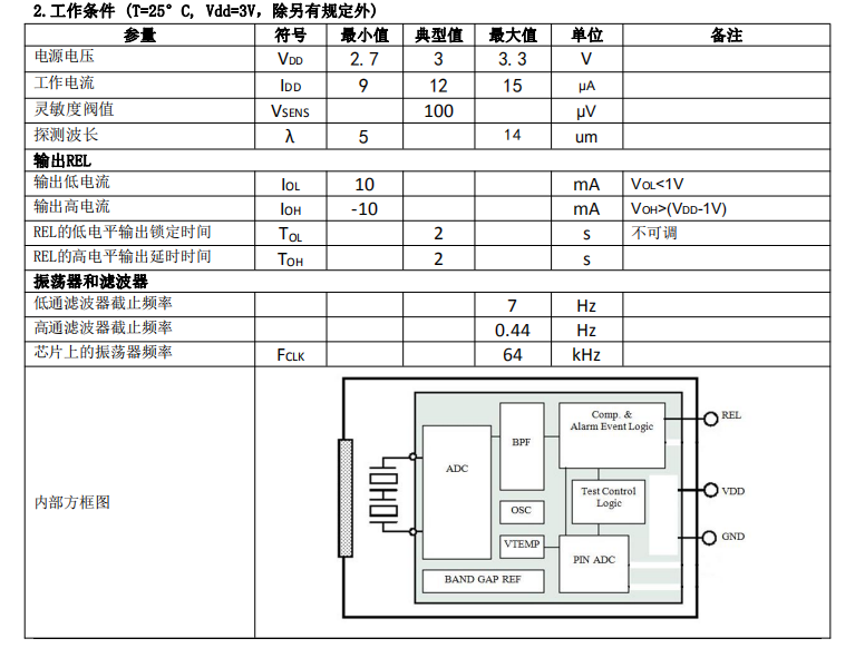
红外传感器ES312
首页
>
产品展示
>
红外传感器
红外传感器ES312
人体红外探测元件
窗口尺寸4*3mm
三脚数字集成,双晶元
产品咨询
电话:
0086-755-23210829
详细介绍
说明书文档
暂无内容显示,请稍候...或
联系我们
!
同类其它产品
光敏传感器HLPT940B3H5Y
光敏传感器HLPT940B3H4
光敏传感器HLPT850B5H8Y
LED透镜系列
舞台灯光用菲涅尔透镜
立刻获取报价
提交
直接联系我们
0086-755-23210829
0086-755-23210829
关于我们
公司简介
相关证书
品质保证
合作伙伴
产品展示
光敏电阻
光敏传感器
红外传感器
菲涅尔透镜
热敏电阻
微波模块
辅材
生产实力
公司设备
新闻资讯
公司新闻
行业新闻
常见问题
下载中心
联系合作
联系方式
在线留言